Τηλεφωνικές παραγγελίες 210 2400 680
Δευτέρα - Παρασκευή: 7:00 - 18:00 | Σάββατο: 7:00 - 15:00
ΔΩΡΕΑΝ ΜΕΤΑΦΟΡΙΚΑ για παραγγελίες άνω των 250,00

SEG.40.12.E.2.50B

10.02.1091
SEG.40.12.E.2.50B Περιγραφή : Εβαπτιζόμενες αντλίες από χυτοσίδηρο με σύστημα άλεσης (Κοπτήρες). Διαθέσιμο στο DropFix.gr με εγγύηση.
Είδος: Αντλίες
Μάρκα: Grundfos
-3% 2.541,00
Από 2.633,00
+
Ογκομετρικό βάρος: 46.5kg
Άμεσα διαθέσιμο
σε 24 ώρες!
Αντικαταβολή, κάρτα ή κατάθεση VISA
Εύκολες επιστροφές 14 ημερών*

Δικαίωμα επιστροφής εντός 14 ημερών από την παραλαβή, σε αρχική κατάσταση με πλήρη συσκευασία.

Ελαττωματικά προϊόντα επιστρέφονται δωρεάν.

Πλήρης πολιτική επιστροφών →
Ασφαλές checkout
10.02.1091

SEG.40.12.E.2.50B

Περιγραφή :

Εβαπτιζόμενες αντλίες από χυτοσίδηρο με σύστημα άλεσης (Κοπτήρες).

Οι αντλίες SEG είναι υποβρύχιες αντλίες με οριζόντιο στόμιο κατάθλιψης, ειδικά σχεδιασμένες για την υπό πίεση άντληση ακάθαρτων υδάτων από τουαλέτες.

Οι αντλίες SEG είναι εξοπλισμένες με σύστημα άλεσης, το οποίο αλέθει σε μικρά κομμάτια τα στερεά που μπορεί να δημιουργήσουν πρόβλημα έτσι ώστε να μπορούν να απομακρυνθούν μέσω σωλήνων σχετικά μικρής διαμέτρου

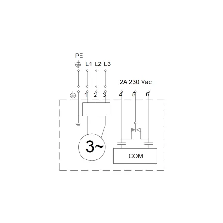
Η αντλία διαθέτει θύρα εκκένωσης DN 40 και είναι έτοιμο για εγκατάσταση είτε ανεξάρτητο είτε σε σύστημα αυτόματης ζεύξης.

Τεχνικά χαρακτηριστικά :

Αντλούμενο υγρό: Τιμή pH 4-10
Θερμοκρασία υγρού: 0 - 40 °C, μικρά χρονικά διαστήματα ( < 3 λεπτά ) μέχρι και 60°C.

Πτερωτή: Grindex (κοπτήρας)

Κλάση μόνωσης: F ( 155°C)

Βαθμός Προστασίας: IP 68

Κύριο Καλώδιο: Στάνταρ μήκος 10m

Σύνδεση κατάθλιψης: DN 50

SEG.40.12.E.2.50B: Έκδοση "E" Ηλεκτρονική έκδοση με λειτουργίες AUTOadapt - δεν είναι κατάλληλη για εξωτερικό μετατροπέα συχνότητας.

Χαρακτηριστικά της λειτουργίας AUTOADAPT: 

Δεν χρειάζονται πλωτηροδιακόπτες ή ηλεκτρόδια στάθμης για την λειτουργία του αντλιοστασίου.

Εναλλαγή ή παράλληλη λειτουργία αντλιών σε δίδυμο αντλητικό συγκρότημα χωρίς την τοποθέτηση πίνακα και ελέγχων στάθμης.

Έξοδος ρελέ συναγερμού.

Είδος:
Αντλίες
Μάρκα:
Χρήση Υποβρύχιας Αντλίας:
Ακαθάρτων Λυμάτων

datasheet (96878510_SEG4012E250B.pdf, 668 Kb) [Λήψη]

Σχέδιο 1 (ΔΙΑΣΤΑΣΕΙΣ-1-96878510.pdf, 102 Kb) [Λήψη]

Σχέδιο 2 (ΔΙΑΣΤΑΣΕΙΣ-2-96878510.pdf, 94 Kb) [Λήψη]

Σχέδιο 3 (ΔΙΑΣΤΑΣΕΙΣ-3-96878510.pdf, 129 Kb) [Λήψη]

Παρόμοια Προϊόντα

Optima MS -16%
Άμεσα διαθέσιμο
270,00 323,00
Optima MS
Semisom 390L
Άμεσα διαθέσιμο
570,00
Semisom 390L
Initial Drain 10-7
Άμεσα διαθέσιμο
151,80
Initial Drain 10-7
DUOLIFT.270.AP35B.50.08.3
Άμεσα διαθέσιμο
4.195,00
Padus UNI M05/M11-523/A
Άμεσα διαθέσιμο
1.264,00
Rexa UNI V05/T08-540
Άμεσα διαθέσιμο
811,90
Initial WASTE 14-9
Άμεσα διαθέσιμο
205,40
Initial WASTE 14-9
HiDrainlift 3-35 -11%
Άμεσα διαθέσιμο
535,70 602,00
HiDrainlift 3-35
Rexa MINI3-V04.11/M06-523/A-5M
Άμεσα διαθέσιμο
514,80
Optima MA -38%
Άμεσα διαθέσιμο
171,00 275,00
Optima MA
Drain TSW 32/11-A
Άμεσα διαθέσιμο
560,00
Drain TSW 32/11-A
Drain MTC 32F49.17/66
Άμεσα διαθέσιμο
6.856,50