Τηλεφωνικές παραγγελίες 210 2400 680
Δευτέρα - Παρασκευή: 7:00 - 18:00 | Σάββατο: 7:00 - 15:00
ΔΩΡΕΑΝ ΜΕΤΑΦΟΡΙΚΑ για παραγγελίες άνω των 250,00

Rexa MINI3-V04.11/M06-523/A-5M

10.02.4711
Rexa MINI3-V04.11/M06-523/A-5M - κορυφαία ποιότητα, εγγύηση. DropFix.gr.
Είδος: Αντλίες
Μάρκα: Wilo
514,80
+
Άμεσα διαθέσιμο
σε 24 ώρες!
Αντικαταβολή, κάρτα ή κατάθεση VISA
Εύκολες επιστροφές 14 ημερών*

Δικαίωμα επιστροφής εντός 14 ημερών από την παραλαβή, σε αρχική κατάσταση με πλήρη συσκευασία.

Ελαττωματικά προϊόντα επιστρέφονται δωρεάν.

Πλήρης πολιτική επιστροφών →
Ασφαλές checkout
10.02.4711

Περιγραφή Rexa MINI3

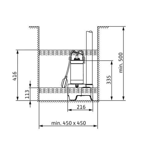
Πλήρως εμβαπτιζόμενη υποβρύχια αντλία λυμάτων για τη μόνιμη και φορητή υγρή εγκατάσταση εντός φρεατίου η οποία προορίζεται για την άντληση λυμάτων 

χωρίς αποχωρήματα και ακάθαρτων υδάτων. 

Περίβλημα υδραυλικού συστήματος από φαιό χυτοσίδηρο, πτερωτή από πλαστικό και κέλυφος κινητήρα από ανοξείδωτο χάλυβα. 

Υδραυλικό σύστημα με κατακόρυφη σύνδεση κατάθλιψης ως υποδοχή με σπείρωμα και πτερωτή ελεύθερης ροής. 

Επιφανειακά ψυχόμενος κινητήρας εναλλασσόμενου ρεύματος με ενσωματωμένο πυκνωτή λειτουργίας και αυτόματη θερμική επιτήρηση κινητήρα. 

Καλώδιο σύνδεσης με φις σούκο και πλωτηροδιακόπτη για αυτόματο έλεγχο στάθμης. 

Η στεγανοποίηση στην πλευρά του υγρού γίνεται με μηχανικό στυπιοθλίπτη, ενώ στην πλευρά του κινητήρα με δακτύλιο στεγανοποίησης άξονα.

Τεχνικά χαρακτηριστικά :

Είδος πτερωτής : Πτερωτή ελεύθερης ροής 

Ελεύθερο πέρασμα στερεών : 40 mm 

Στόμιο κατάθλιψης : G 1½ 

Μέγιστη πίεση λειτουργίας : PN 1 bar

Ηλεκτρική σύνδεση : 1~230 V, 50 Hz 

Ονομαστική ισχύς P2 : 0.60 kW 

Μέγ. συχνότητα εκκινήσεων t : 30 1/h 

Κατηγορία μόνωσης : F 

Βαθμός προστασίας κινητήρα : IP68

Φις σύνδεσης : Shucko 

Πλωτηροδιακόπτης : NAI

Είδος:
Αντλίες
Μάρκα:
Ονομαστική Τάση:
230V
Χρήση Υποβρύχιας Αντλίας:
Ακαθάρτων Λυμάτων

Τεχνικά Στοιχεία-Rexa MINI3-V04.11M06-523A-5M -3094005 (Τεχνικά_Στοιχεία-Rexa_MINI3-V04.11M06-523A-5M_-3094005.PDF, 430 Kb) [Λήψη]

Φύλλο_στοιχείων_Rexa MINI3-V04.11M06-523A-5M -3094005 (Φύλλο_στοιχείων_Rexa_MINI3-V04.11M06-523A-5M_-3094005.pdf, 370 Kb) [Λήψη]

Παρόμοια Προϊόντα

Optima MS -16%
Άμεσα διαθέσιμο
270,00 323,00
Optima MS
Semisom 390L
Άμεσα διαθέσιμο
570,00
Semisom 390L
Initial Drain 10-7
Άμεσα διαθέσιμο
151,80
Initial Drain 10-7
DUOLIFT.270.AP35B.50.08.3
Άμεσα διαθέσιμο
4.195,00
Padus UNI M05/M11-523/A
Άμεσα διαθέσιμο
1.264,00
Rexa UNI V05/T08-540
Άμεσα διαθέσιμο
811,90
Initial WASTE 14-9
Άμεσα διαθέσιμο
205,40
Initial WASTE 14-9
HiDrainlift 3-35 -11%
Άμεσα διαθέσιμο
535,70 602,00
HiDrainlift 3-35
Optima MA -38%
Άμεσα διαθέσιμο
171,00 275,00
Optima MA
Drain TSW 32/11-A
Άμεσα διαθέσιμο
560,00
Drain TSW 32/11-A
Drain MTC 32F49.17/66
Άμεσα διαθέσιμο
6.856,50
UNOLIFT.270.AP35B.50.08.A
Άμεσα διαθέσιμο
2.175,00