Τηλεφωνικές παραγγελίες 210 2400 680
Δευτέρα - Παρασκευή: 7:00 - 18:00 | Σάββατο: 7:00 - 15:00
ΔΩΡΕΑΝ ΜΕΤΑΦΟΡΙΚΑ για παραγγελίες άνω των 250,00

Padus UNI M05/M11-523/P

10.02.1063
Padus UNI M05/M11-523/P - κορυφαία ποιότητα, εγγύηση. DropFix.gr.
Είδος: Αντλία Αποστράγγισης
Μάρκα: Wilo
1.231,70
+
Άμεσα διαθέσιμο
σε 24 ώρες!
Αντικαταβολή, κάρτα ή κατάθεση VISA
Εύκολες επιστροφές 14 ημερών*

Δικαίωμα επιστροφής εντός 14 ημερών από την παραλαβή, σε αρχική κατάσταση με πλήρη συσκευασία.

Ελαττωματικά προϊόντα επιστρέφονται δωρεάν.

Πλήρης πολιτική επιστροφών →
Ασφαλές checkout
10.02.1063

Περιγραφή Padus UNI

Πλήρως εμβαπτιζόμενη υποβρύχια αντλία αποστράγγισης για τη φορητή υγρή εγκατάσταση εντός φρεατίου η οποία προορίζεται για την άντληση ακάθαρτων  

υδάτων και ελεύθερων από αποχωρήματα λυμάτων (εντός του πεδίου εφαρμογής του προτύπου EN 12050-2). 

Περίβλημα υδραυλικού συστήματος και φτερωτή από πλαστικό, περίβλημα κινητήρα από ανοξείδωτο χάλυβα. 

Κινητήρας ψυχόμενος από το περιβάλλον ρευστό σε μονοφασικό τύπο ρεύματος με ενσωματωμένο πυκνωτή λειτουργίας, θάλαμο στεγανοποίησης και αυτόματη 

θερμική επιτήρηση κινητήρα. 

Η στεγανοποίηση υγρού και κινητήρα γίνεται μέσω δύο ανεξάρτητων από τη φορά περιστροφής μηχανικών στυπιοθλιπτών.

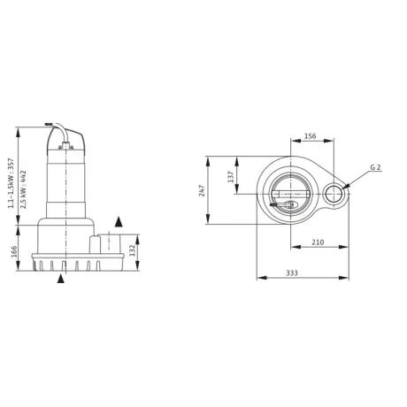
Τεχνικά χαρακτηριστικά :

Είδος του σχεδιασμού πτερωτής : Πολυκάναλη πτερωτή ανοιχτού τύπου  

Ονομαστική ισχύς P2 : 1,1 kW.

Ελεύθερο πέρασμα στερεών : 10mm. 

Μέγιστο ύψος βύθισης : 7m.

Μέγιστη θερμοκρασία υγρού Tmax : 40 °C. 

Μέγιστή συχνότητα εκκινήσεων t : 30 1/h.

Μήκος καλωδίου σύνδεσης 10m.

Κατηγορία μόνωσης : F. 

Βαθμός προστασίας : IP68.

Φις σύνδεσης : schuko.

Ηλεκτρική σύνδεση 1~230 V, 50 Hz.

Τύπος P : Με ηλεκτρικό κουτί ON-OFF και ενσωματωμένο φις. 

Είδος:
Αντλία Αποστράγγισης
Μάρκα:
Χρήση Υποβρύχιας Αντλίας:
Ομβρίων Υδάτων

Τεχνικά Στοιχεία- Padus UNI M05M11-523P-6084801 (Τεχνικά_Στοιχεία-_Padus_UNI_M05M11-523P-6084801.PDF, 318 Kb) [Λήψη]

Φύλλο_στοιχείων_Padus UNI M05M11-523P-6084801 (Φύλλο_στοιχείων_Padus_UNI_M05M11-523P-6084801.pdf, 841 Kb) [Λήψη]

Παρόμοια Προϊόντα

Optima MS -16%
Άμεσα διαθέσιμο
270,00 323,00
Optima MS
Semisom 390L
Άμεσα διαθέσιμο
570,00
Semisom 390L
Initial Drain 10-7
Άμεσα διαθέσιμο
151,80
Initial Drain 10-7
DUOLIFT.270.AP35B.50.08.3
Άμεσα διαθέσιμο
4.195,00
Padus UNI M05/M11-523/A
Άμεσα διαθέσιμο
1.264,00
Rexa UNI V05/T08-540
Άμεσα διαθέσιμο
811,90
Initial WASTE 14-9
Άμεσα διαθέσιμο
205,40
Initial WASTE 14-9
HiDrainlift 3-35 -11%
Άμεσα διαθέσιμο
535,70 602,00
HiDrainlift 3-35
Rexa MINI3-V04.11/M06-523/A-5M
Άμεσα διαθέσιμο
514,80
Optima MA -38%
Άμεσα διαθέσιμο
171,00 275,00
Optima MA
Drain TSW 32/11-A
Άμεσα διαθέσιμο
560,00
Drain TSW 32/11-A
Drain MTC 32F49.17/66
Άμεσα διαθέσιμο
6.856,50